On October 4, 2022, the European Parliament overwhelmingly passed a bill. The bill stipulates that starting from the end of 2024, all new portable smart devices must use the USB Type-C charging interface; Starting from 2026, USB Type-C will also become the standard interface for laptop chargers. On October 25, 2022, Apple confirmed that it will comply with EU requirements, and all smartphones will use a USB Type-C charging port starting from 2024. Various signs indicate that USB Type-C has become the main interface for smart devices such as smartphones, tablets, and laptops, and the USB Type-C charging interface will open up new growth opportunities.
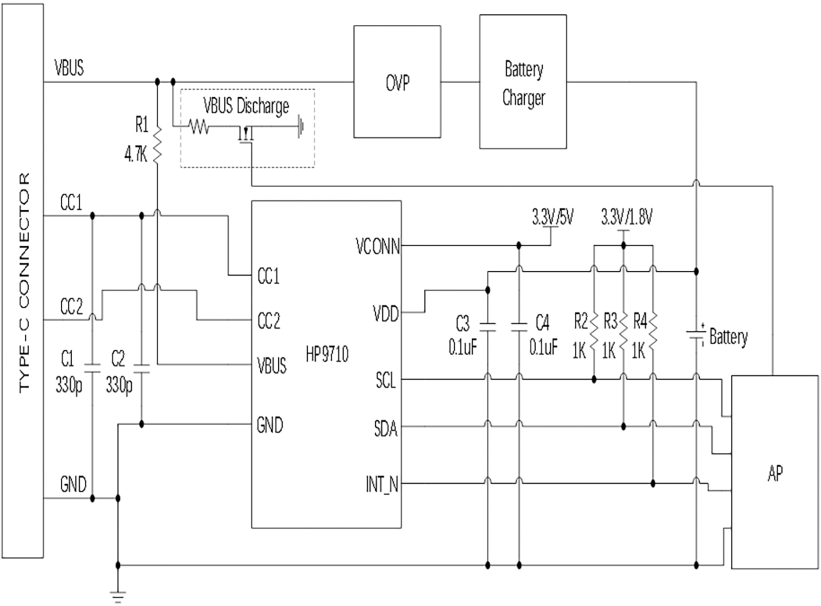
The HP9710 chip (USB Type-C port controller) launched by Hypower Micro integrates a complete Type-C transceiver, including Rp and Rd resistors, which complies with the latest USB Type-C and PD3.1 standards.
The HP9710 integrates the physical layer of the USB BMC power supply protocol, enabling up to 100W of power and role switching. The BMCPD module can fully support alternative interfaces for Type-C specifications. At the same time, HP9710 uses I2C to communicate with TCPM through INT signal request prompts. It can support I2C clock frequencies from 10KHz to 1MH.

